-
鋰電池常見故障問題有哪些?2023-02-02
對于鋰電池可能產生故障的原因可以多加注意,不僅可以在發生之時,能快速的進行排查修護,也能在故障沒有產生之前,進行預防,盡量不要范這些可能會導致鋰電池故障的錯誤。
-
便攜式儲能電源和開關電源有何區別?2023-02-02
便攜式就是不間斷電源,是按照產品的應用來命名的。高頻開關電源,是指使用功率電源器件,在高頻下通過變換器展開能量轉換的電源。
-
低溫鋰電池都有哪些種類,應該如何選擇?2023-01-09
因為低溫鋰離子電池的特殊性,多用在特種設備,通信基站等,所以對電池產品的要求和質量也更加嚴格,相比其它鋰電池來說,更具有難度和挑戰,這也需要更成熟的技術和工藝。
-
動力鋰電池的基本結構及工作原理2022-12-28
鋰電池是2000年后由美國永備公司所推出來并得到成功市場化的新型綠色高能化學電源,在應用于需要的高能量高功率電源的電子設備和電動玩具方面,顯示了非常優越的性能。
-
關于動力電池的基本術語及概念知識2022-12-28
電池又叫電源,所以動力電池也叫動力電源,它主要時給一些機械設備提供運動能量的電池。動力電池即為工具提供動力來源的電源,多指為電動汽車、電動列車、電動自行車、高爾夫球車提供動力的蓄電池。
-
各國電池常規認證標準大全,趕緊收藏!2022-12-26
電池運輸以及在各屬地國市場流通,都需根據相應認證標準進行檢測并獲得證書。一般的電池認證按國家標準的不同分為以下幾種:中國:CQC 認證(GB31241) 歐盟:CE 認證、電池指令、EMC認證 美國:UL認證(UL 2054、UL 1642)
-
太陽能電池板的發電量怎么計算?這些冷知識你都會嗎!2022-12-22
如果太陽能電池板的效率是15%,這意味著太陽能板能夠將15%太陽光轉化為電力。然而各種因素都會影響效率。最常見的是屋頂周圍的陰影面積,如果周圍是建筑物或者附近樹木的遮擋,你可以調整太陽能板的朝向以及通過修剪樹木的枝丫。
-
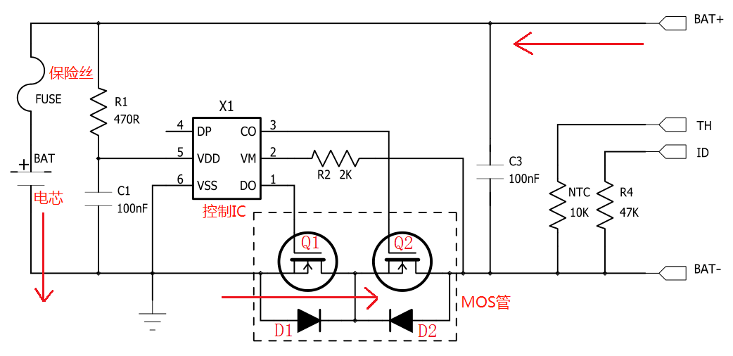
鋰電池保護電路的工作原理是什么?都與哪些有關!2022-12-22
鋰電池都有一個使用的安全電壓區間,最高和最低電壓一般被稱為充放電終止電壓或截止電壓,當電池的實際工作電壓長時間低于放電終止電壓或者長時間高于充電終止電壓時,電池內部將發生不可逆轉的傷害,嚴重傷害電池,導致性能下降,俗稱電池衰減,電池衰減的表現就是電池的內阻增大,容量下降等。








